一、EN630产品介绍
EN630系列高性能矢量变频器,内置PG卡功能,有速度和转矩两种矢量工作模式,控制精度高、速度响应快、低频特性非常优越,各种智能检测与保护完善,功率范围0.4KW~1.5KW ,键盘自带数字电位器,有拷贝功能,参数设置简单,操作方便。

二、编码器介绍:
编码器是一种旋转传感器,作用是将旋转位移转换成一串数字脉冲信号,这些脉冲信号可用来控制角度位移,若编码器与齿轮条或螺旋丝杠结合在一起,可测量直线位移。
编码器根据输出信号可分:差分式和集电极式。
EN630适用集电极增量式编码器,无需外配独立的PG卡。
编码器线数:是指光电码盘一圈刻线,比如1024线,2048线。
编码器分辨率:编码器在正常工作中最小可辨识的角度,比如线数为2500线的增量式编码器,结合A/B相四倍频,算得分辨率是(360°/100000)度。
三、EN630闭环控制
1、EN630闭环系统组成
2、编码器举例介绍
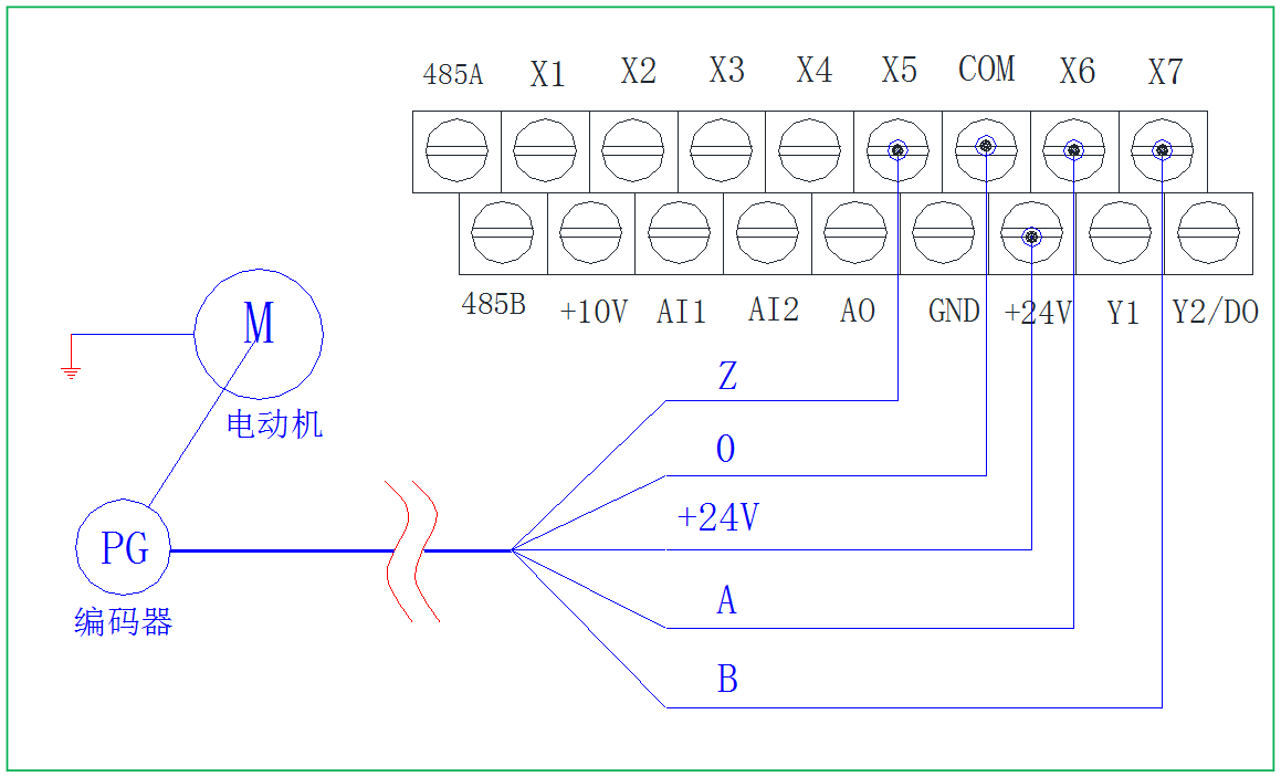
型号E6B2-CWZ6C 的规格参数(实物举例)
褐色线 |
电源(
VCC) |
接
+24V端子 |
黑色线 |
编码器输出
A相 |
接
X6端子 |
白色线 |
编码器输出
B相 |
接
X7端子 |
橙色线 |
编码器输出
Z相 |
接
X5端子 |
蓝色线 |
0V |
接
COM端子 |
编码器线数 |
2000 |
设置
F16.01=2000 |
3、EN630与编码器接线原理图
4、编码器与EN630接线实物演示图
4、编码器与电机安装实物演示图
5、变频器主要参数设置
闭环控制基本参数
F00.00=2 |
高级菜单模式 |
开通高级菜单 |
F00.19=3 |
增量式
PG卡选择 |
开通编码器和
X5/X6/X7端子功能 |
F00.24=2 |
有速度传感器矢量模式 |
开通闭环矢量 |
F16.01=2000 |
编码器线数 |
设置编码器线数 |
F16.02=00 |
AB
正相序设置 | 校正编码器输出 AB相序 |
电机自学习参数
F15.01 |
电机额定功率 |
根据电机铭牌填写 |
F15.02 |
电机额定电压 |
根据电机铭牌填写 |
F15.03 |
电机额定电流 |
根据电机铭牌填写 |
F15.04 |
电机额定频率 |
根据电机铭牌填写 |
F15.05 |
电机额定转速 |
根据电机铭牌填写 |
F15.06 |
电机极对数 |
根据电机铭牌填写 |
四、其他注意事项
1、若接线和参数设置好后启动电机出现过流或过载,电机旋转无力,则为编码器AB相序接反,选择下面任一种方式校正:
修改F16.02值(F16.02=00为正相序,F16.02=01为反相序)
调换A、B相接线
调换电机输出线任意两相
2、电机参数自学习最好选择旋转自整,即F15.19=2,此方式还可智能调整AB相序设置F16.02值;
3、其他参数根据实际应用设置。
4000-711-088
深圳市南山区丽山路民企科技园四栋五、六层
0755-26985120
info@zdwkq.com