压缩空气是仅次于电力的第二大动力能源,更是具有多种用途的工艺气源,常被广泛地应用于电力、化工及机械制造等许多领域。但由于空压机能源运行成本高,为了提高空压机的运行效能,各大企业逐渐开始选用变频空压机,它相较于常规直驱式空压机而言,可显著的提高空压机的系统效率。同时,随着稀土永磁材料的快速发展,永磁同步电动机也在空压机中迅速地得到了广泛应用,其以高效节能的特点在压缩机行业中占据了很大的份额。
yp刮刮卡电气着眼于工业领域的发展趋势,为了提高各企业空压机的运行效能,推出yp刮刮卡EN650B系列变频器,本系列变频器的出现改善了空压机的系统效率,具有明显的节能高效优势,已得到市场广泛的使用。
下面,yp电子刮刮卡(中国)官方网站来介绍yp刮刮卡EN650B系列永磁电机专用矢量变频器在160KW永磁同步空压机上的应用。

设备介绍
空压机工作过程:
1、吸气阶段
空压机有一对阴阳转子旋转完成空气压缩,进气端空隙开始通过吸气口充气,阴阳转子准备压缩,阴转子在其整个长度上充满气时吸气结束。
2、压缩阶段
阳转子开始与对应阴转子相互啮合,通过密封线时将空气截住阳转子开始挤压截住的空气。
3、排气阶段
阳转子的挤压运动逐步减少被截留空气的体积并同时将其挤到排气端完成排气。
系统配置
该系统上位机采用国内某知名空压机专用控制器进行PID闭环控制,系统中的触摸屏和EN650B变频器采用Modbus通讯方式来实现频率调节,并实时在线采集变频器电流,电压,功耗等参数。


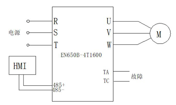
变频器接线示意图

部分参数设置
应用优势
采用EN650B同步变频技术比异步变频方案更加节能,并且使压缩机体积大幅减小,大大节约了安装空间。
EN650B具有优秀的自学习功能和各种保护功能,可准确的学习电机各项参数,确保电机低噪音运行,并延长了使用寿命。
EN650B高性能无感矢量控制,实现了系统的快速响应,确保供气压力稳定。
采用EN650B变频器加空压机控制器方案,确保设备平稳运行,满足了用户需求。
4000-711-088
深圳市南山区桃源街道丽山路大学城创业园1503室
0755-26985120
info@zdwkq.com